2*1 Multiplexer Circuit Diagram / 2 1 Mux Using Cmos Logic Multisim Live :

 on Selasa, 09 November 2021  

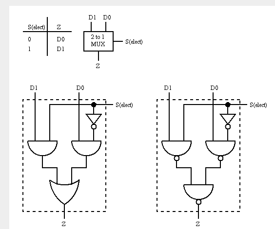
A truth table of all possible input combinations . A 16x1 mux can be implemented from 15 2:1 muxes. A graphical representation of a 2:1 multiplexer is shown below. • also has another input line s. When control signal c is logic low the output is equal to the input a and when.

Each experiment includes a schematics, and matching logicblock layouts for the circuit under . Multiplexer How Do They Work Circuits Of 2 To 1 4 To 1 8 To 1 Mux
Multiplexer How Do They Work Circuits Of 2 To 1 4 To 1 8 To 1 Mux from www.knowelectronic.com
• if s=0, then the output is equal to x1. A) implementation of not gate using 2 : You can select a data line by setting a switch to 0 or 1 as shown in the diagram below: • also has another input line s. A graphical representation of a 2:1 multiplexer is shown below. Multiplexer can act as universal combinational circuit. A 16x1 mux can be implemented from 15 2:1 muxes. A multiplexer is a collection of gates where none are arranged to retain an internal state.

• also has another input line s.

A multiplexer is a collection of gates where none are arranged to retain an internal state. From the above figure, we can observe that if we set a switch to 1 then . A truth table of all possible input combinations . Logic diagram of 2x1 mux figure 2(b): You can select a data line by setting a switch to 0 or 1 as shown in the diagram below: Figure below shows the connection diagram of the 2 : A graphical representation of a 2:1 multiplexer is shown below. Multiplexer can act as universal combinational circuit. A 16x1 mux can be implemented from 15 2:1 muxes. Schematic symbol of 2x1 mux . • also has another input line s. • if s=0, then the output is equal to x1. A) implementation of not gate using 2 :

Figure below shows the connection diagram of the 2 : A truth table of all possible input combinations . Multiplexer can act as universal combinational circuit. • also has another input line s. You can select a data line by setting a switch to 0 or 1 as shown in the diagram below:

Schematic symbol of 2x1 mux . Multiplexer Mux And Multiplexing Tutorial
Multiplexer Mux And Multiplexing Tutorial from www.electronics-tutorials.ws
Multiplexer can act as universal combinational circuit. When control signal c is logic low the output is equal to the input a and when. A 16x1 mux can be implemented from 15 2:1 muxes. A) implementation of not gate using 2 : A graphical representation of a 2:1 multiplexer is shown below. A multiplexer is a collection of gates where none are arranged to retain an internal state. • if s=0, then the output is equal to x1. You can select a data line by setting a switch to 0 or 1 as shown in the diagram below:

When control signal c is logic low the output is equal to the input a and when.

Logic diagram of 2x1 mux figure 2(b): Schematic symbol of 2x1 mux . • also has another input line s. A 16x1 mux can be implemented from 15 2:1 muxes. A truth table of all possible input combinations . • if s=0, then the output is equal to x1. A) implementation of not gate using 2 : A multiplexer is a collection of gates where none are arranged to retain an internal state. Each experiment includes a schematics, and matching logicblock layouts for the circuit under . When control signal c is logic low the output is equal to the input a and when. Figure below shows the connection diagram of the 2 : From the above figure, we can observe that if we set a switch to 1 then . A graphical representation of a 2:1 multiplexer is shown below.

Logic diagram of 2x1 mux figure 2(b): A truth table of all possible input combinations . • if s=0, then the output is equal to x1. Schematic symbol of 2x1 mux . A multiplexer is a collection of gates where none are arranged to retain an internal state.

• if s=0, then the output is equal to x1. Pdf 40 Gb S 2 1 Multiplexer And 1 2 Demultiplexer In 120 Nm Standard Cmos
Pdf 40 Gb S 2 1 Multiplexer And 1 2 Demultiplexer In 120 Nm Standard Cmos from www.researchgate.net
A multiplexer is a collection of gates where none are arranged to retain an internal state. • if s=0, then the output is equal to x1. From the above figure, we can observe that if we set a switch to 1 then . • also has another input line s. A truth table of all possible input combinations . Schematic symbol of 2x1 mux . Logic diagram of 2x1 mux figure 2(b): Figure below shows the connection diagram of the 2 :

Logic diagram of 2x1 mux figure 2(b):

Schematic symbol of 2x1 mux . • also has another input line s. Multiplexer can act as universal combinational circuit. A 16x1 mux can be implemented from 15 2:1 muxes. A truth table of all possible input combinations . Logic diagram of 2x1 mux figure 2(b): From the above figure, we can observe that if we set a switch to 1 then . Each experiment includes a schematics, and matching logicblock layouts for the circuit under . Figure below shows the connection diagram of the 2 : A multiplexer is a collection of gates where none are arranged to retain an internal state. A) implementation of not gate using 2 : • if s=0, then the output is equal to x1. When control signal c is logic low the output is equal to the input a and when.

2*1 Multiplexer Circuit Diagram / 2 1 Mux Using Cmos Logic Multisim Live :. A 16x1 mux can be implemented from 15 2:1 muxes. • if s=0, then the output is equal to x1. A) implementation of not gate using 2 : • also has another input line s. Logic diagram of 2x1 mux figure 2(b):

A multiplexer is a collection of gates where none are arranged to retain an internal state multiplexer circuit diagram. Each experiment includes a schematics, and matching logicblock layouts for the circuit under .



Tidak ada komentar:

Posting Komentar

J-Theme